Viện Nghiên cứu Vô tuyến (RRA) của Hàn Quốc đã ban hành một quy định mới vào cuối năm ngoái liên quan đến kích thước của các đầu nối USB Type-C . Quy định này yêu cầu tất cả các thiết bị được thử nghiệm (EUT) được trang bị đầu nối USB Type-C phải trải qua quá trình đo kích thước và bắt buộc phải tuân thủ giao diện ( dựa trên Tiêu chuẩn Kỹ thuật Chính thức MSIT số 56 2025) .
I. Thiết bị thuộc diện bắt buộc sử dụng (13 loại)
• Phạm vi áp dụng bắt buộc (bao gồm tất cả 13 loại thiết bị)
• Bất kỳ thiết bị phát sóng và truyền thông không dây nào có tính năng sạc có dây hoặc sạc có dây đồng thời với truyền dữ liệu đều phải được trang bị đầu nối USB Type-C để kết nối.
1. điện thoại di động
2. Máy tính bảng
3. Máy ảnh kỹ thuật số
4. Tai nghe
5. Tai nghe
6. Máy chơi game cầm tay
7. Loa di động
8. Máy đọc sách điện tử
9. Bàn phím
10. Chuột
11. Thiết bị định vị cầm tay
12. Tai nghe nhét tai
13. Máy tính xách tay
II. Thời gian thi lại
Bộ trưởng Bộ Khoa học, Công nghệ, Thông tin và Truyền thông, theo Quy tắc về việc xây dựng và quản lý các chỉ thị, ví dụ, v.v., sẽ xem xét tính phù hợp của thông báo này ba năm một lần kể từ ngày 1 tháng 1 năm 2025 (trước ngày 31 tháng 12 của mỗi chu kỳ ba năm) và có biện pháp cải thiện.
III. Các điều khoản bổ sung
• Thông báo này sẽ có hiệu lực vào ngày 5 tháng 11 năm 2026.
• Điều 2 (Sửa đổi các thông báo khác)
Điều 3, Mục 7, Phần 25 (Liên quan đến thiết bị đánh giá sự phù hợp) của Phụ lục 1 thuộc "Thông báo về đánh giá sự phù hợp của thiết bị đầu cuối phát thanh và truyền thông, v.v." (Thông báo của Viện Nghiên cứu Vô tuyến Quốc gia) được sửa đổi như sau :
[Phụ lục 1] 7. Thiết bị đầu cuối (Thiết bị dành cho các cơ sở truyền thông phát thanh)

[Phụ lục 1] Thông số kỹ thuật đầu nối ổ cắm USB Type-C (Liên quan đến Mục 3)
.png)
(Hình 1) Kích thước chiều rộng của lỗ mở trên vỏ ngoài
.png)
(Hình 2) Chiều cao của lỗ mở vỏ ngoài
.png)
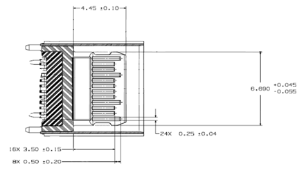
(Hình 3) Kích thước tiếp điểm của ổ cắm có vỏ dẫn điện
.png)
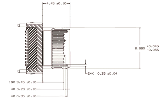
(Hình 4) Kích thước tiếp điểm ổ cắm có hoặc không có vỏ cách điện.
Ghi chú:
1. Như thể hiện trong Hình 1, chiều rộng khe hở của vỏ ngoài phải là 8,34 mm, với phạm vi sai số từ -0,02 mm đến +0,06 mm.
2. Như thể hiện trong Hình 2, chiều cao lỗ mở của vỏ ngoài phải là 2,56 ± 0,04 mm.
3. Như thể hiện trong Hình 3 và 4, chiều rộng của lưỡi ổ cắm phải là 6,690 mm, với phạm vi sai số từ -0,055 mm đến +0,045 mm.
4. Như thể hiện trong Hình 3 và 4, chiều dài của lưỡi ổ cắm phải là 4,45 ± 0,10 mm.
5. Như thể hiện trong Hình 3, khi thiết bị có vỏ dẫn điện, chiều dài tiếp xúc của dữ liệu và các tín hiệu khác (không bao gồm nguồn và nối đất) phải là 3,50 ± 0,15 mm, và các tiếp điểm nguồn và nối đất phải dài hơn các tiếp điểm dữ liệu và tín hiệu khác khoảng 0,50 ± 0,20 mm.
6. Như thể hiện trong Hình 4, dù có hoặc không có vỏ cách điện, chiều dài tiếp xúc của dữ liệu và các tín hiệu khác (trừ nguồn và nối đất) phải là 3,45 ± 0,10 mm, tiếp điểm nguồn phải dài hơn tiếp điểm dữ liệu và các tín hiệu khác 0,20 ± 0,10 mm, và tiếp điểm nối đất phải dài hơn tiếp điểm nguồn 0,35 ± 0,10 mm.
7. Như thể hiện trong Hình 3 và 4, chiều rộng của mỗi tiếp điểm tín hiệu của ổ cắm phải là 0,25 ± 0,04 mm.
Ưu điểm của dịch vụ BACL:
BACL cung cấp các dịch vụ chứng nhận toàn cầu hiệu quả và đáng tin cậy, bao gồm các chứng nhận IECEE CB Scheme NCB và CBTL, chứng nhận cho Hoa Kỳ (NRTL, FCC, ENERGY STAR), Canada (ISED, SCC), Liên minh Châu Âu (CE), Vương quốc Anh (UKCA AB và AOC), Bắc Ireland (UKNI), Hàn Quốc (KC), Nhật Bản (MIC), Singapore (IMDA), Hồng Kông (OFCA), Đài Loan (NCC, BSMI), Ai Cập (NTRA, GOEIC), Nam Phi (SABS), Việt Nam (MIC), Ả Rập Xê Út (SASO, CITC), Philippines (NTC), Thái Lan (NBTC), Malaysia (SIRIM), Ấn Độ (BIS, WPC, TEC) và nhiều quốc gia và khu vực khác. Điều này đảm bảo sản phẩm của bạn có thể thâm nhập thị trường quốc tế một cách suôn sẻ bất chấp các rào cản thương mại ngày càng nghiêm ngặt!

CN/中国
US/USA
KR/Korea
DE/Germany
ES/Spain
VN/Việtnam