La Agencia Coreana de Investigación de Radio (RRA) emitió una nueva normativa a finales del año pasado relativa a las dimensiones del conector del receptáculo USB Tipo-C. Esta normativa exige que todos los equipos... El equipo bajo prueba (EUT) está equipado con conectores receptáculo USB tipo C para someterse a pruebas dimensionales. mediciones, con cumplimiento obligatorio de la interfaz (basado en la norma técnica oficial de MSIT) N.º 2025-56).
I. Dispositivos de aplicación obligatoria (13 categorías)
• Alcance obligatorio (cobertura completa de 13 categorías de dispositivos)
• Todos los dispositivos de comunicación de difusión inalámbrica capaces de carga por cable o carga simultánea por cable La carga y la transmisión de datos deben estar equipadas con conectores receptáculo USB Tipo-C:
1. Teléfonos móviles
2. Tabletas
3. Cámaras digitales
4. Auriculares (de diadema)
5. Auriculares / Auriculares de diadema
6. Consolas de videojuegos portátiles
7. Altavoces portátiles
8. Lectores de libros electrónicos / Lectores electrónicos
9. Teclados
10. Ratones
11. Dispositivos de navegación portátiles
12. Auriculares / Auriculares intrauditivos
13. Computadoras portátiles
Período de revisión
El Ministro de Ciencia y TIC revisará la idoneidad de este aviso y adoptará medidas de mejora, etc., en cada momento en que hayan transcurrido 3 años (refiriéndose al 31 de diciembre de cada 3er año) con base en el 1 de enero de 2025, de conformidad con el Reglamento de Emisión y Gestión de Órdenes, Reglamentos y Ejemplos.
Disposiciones complementarias
Artículo 1 (Fecha de entrada en vigor): El presente aviso entrará en vigor el 5 de noviembre de 2026.
Artículo 2 (Modificación de otros avisos)
Subelemento 25) del elemento 7 en [Anexo 1] Equipos del tema para la evaluación de la conformidad (relacionados con Artículo 3) del Aviso sobre la evaluación de la conformidad de los terminales de comunicación de radiodifusión El reglamento sobre equipos, etc. (Aviso de la Agencia Nacional de Investigación Radioeléctrica) se modificará de la siguiente manera:
[Anexo 1] 7. Dispositivos terminales (equipos para instalaciones de comunicación de radiodifusión)

[Apéndice 1] Especificaciones del conector de toma USB tipo C (relacionadas con el punto 3)

(Imagen 1) Dimensiones del ancho de la abertura de la carcasa exterior

(Imagen 2) Altura de la abertura de la carcasa exterior

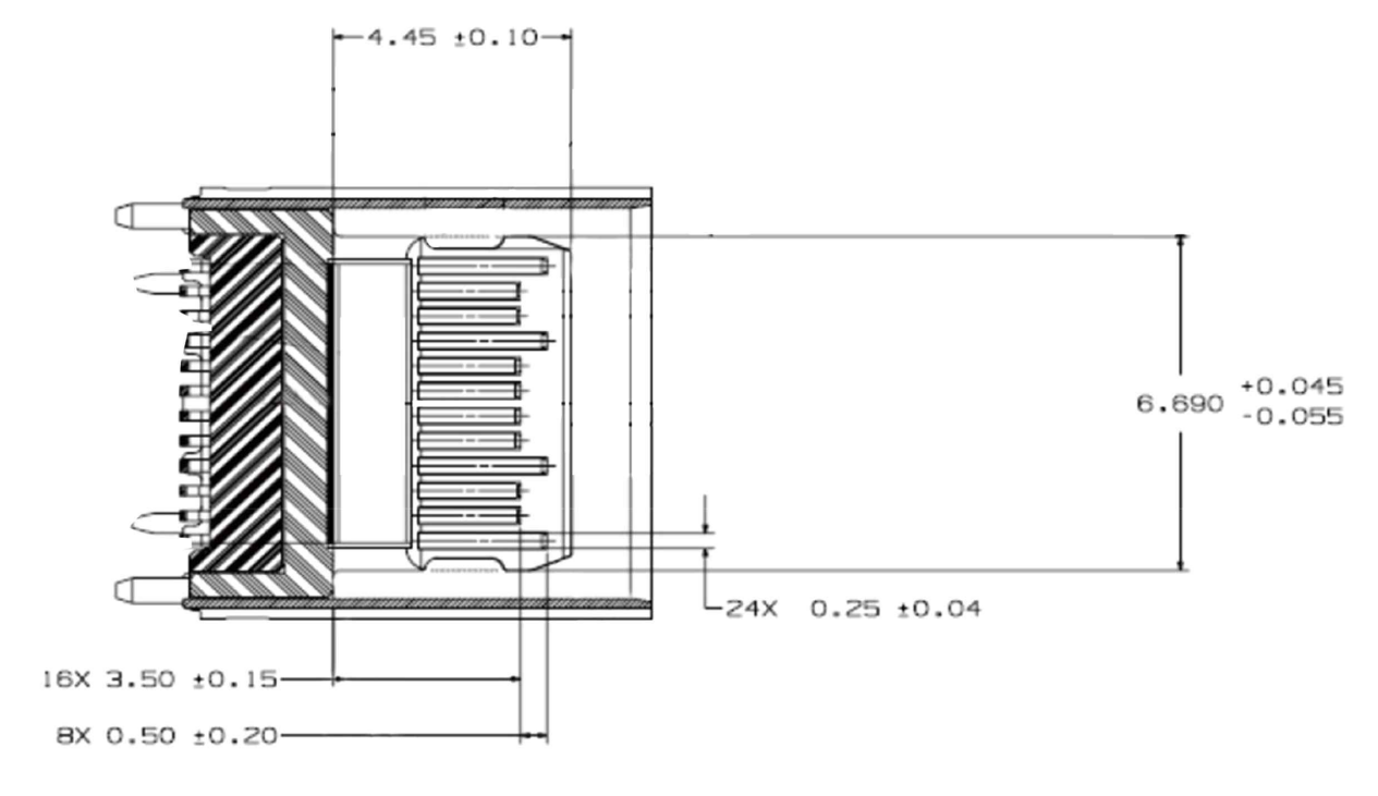
(Imagen 3) Dimensiones de contacto de un enchufe con carcasa conductora

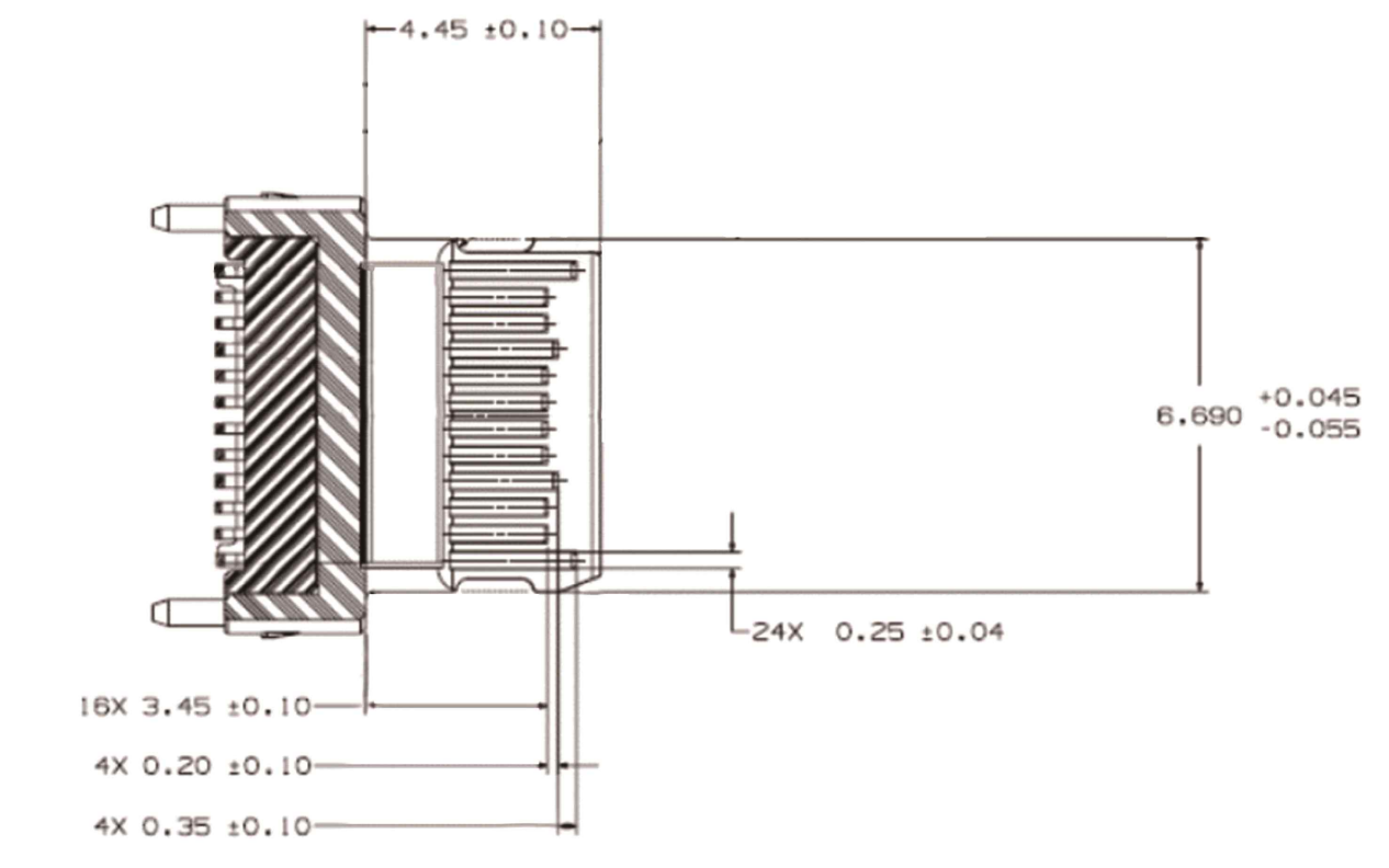
(Imagen 4) Dimensiones de los contactos del zócalo con o sin carcasa no conductora
Nota)
1. Como se muestra en la Figura 1, el ancho de la abertura de la carcasa debe ser de 8,34 mm, con una tolerancia rango de -0,02 mm y +0,06 mm.
2. Como se muestra en la Figura 2, la altura de la abertura de la carcasa debe ser de 2,56 ± 0,04 mm.
3. Como se muestra en las figuras 3 y 4, el ancho de la lengüeta del receptáculo debe ser de 6,690 mm, con un Rango de tolerancia de -0,055 mm y +0,045 mm.
4. Como se muestra en las figuras 3 y 4, la longitud de la lengüeta del alvéolo debe ser de 4,45 ± 0,10 mm.
5. Como se muestra en la Figura 3, con una carcasa conductora, la longitud de contacto para datos y otras señales Las señales (excluyendo alimentación y tierra) deben ser de 3,50 ± 0,15 mm, y la alimentación y tierra Los contactos deben ser 0,50 ± 0,20 mm más largos que los contactos de datos y otros contactos de señal.
6. Como se muestra en la Figura 4, con o sin una carcasa no conductora, la longitud de contacto para los datos y otras señales (excluyendo alimentación y tierra) deben ser de 3,45 ± 0,10 mm. El contacto de alimentación debe ser 0,20 ± 0,10 mm más largo que los contactos de datos y otras señales, y la tierra El contacto debe ser 0,35 ± 0,10 mm más largo que el contacto de alimentación.
7. Como se muestra en las figuras 3 y 4, el ancho de cada contacto de señal en el zócalo debe ser de 0,25 ± 0,04 mm.
Servicios de BACL:
BACL puede proporcionarle servicios de certificación de mercado global eficientes y confiables, tales como IECEE CB Scheme NCB y CBTL, Estados Unidos (NRTL, FCC, ENERGY STAR), Canadá (ISED, SCC), UE (CE), Reino Unido (UKCA AB y AOC), Irlanda del Norte (UKNI), Corea (KC), Japón (MIC), Singapur (IMDA), China Hong Kong (OFCA), China Taiwán (NCC, BSMI), Egipto (NTRA, GOEIC), Sudáfrica (SABS), Vietnam (MIC), Arabia Saudita (SASO, CITC), Filipinas (NTC), Tailandia (NBTC), Malasia (SIRIM), India (BIS, WPC, TEC) y otros servicios para asegurar que sus productos sigan ingresando sin problemas al mercado de comercio internacional incluso cuando las barreras comerciales internacionales se vuelven cada vez más severas.

CN/中国
US/USA
KR/Korea
DE/Germany
ES/Spain
VN/Việtnam