韩国电波研究院(RRA)在去年年底发布了一项关于USB Type C receptacle connector插座连接器尺寸的新规。该法规要求所有配备USB Type C receptacle connector的被测试设备(EUT)都必须进尺寸测量,接口强制合规(基于MSIT第2025 56号官方技术标准)。
一、强制适用设备(13类)
• 强制适用范围(13类设备全覆盖)
• 凡具备有线充电或同时有线充电+数据传输的无线广播通信设备,必须配备USB Type C receptacle connector插座连接:
1. 手机
2. 平板电脑
3. 数码相机
4. 头戴式耳机
5. 头戴式耳麦/耳机
6. 便携式视频游戏机
7. 便携式音箱
8. 电子阅读器
9. 键盘
10. 鼠标
11. 便携式导航设备
12. 入耳式耳机/耳塞
13. 笔记本电脑
二、重新审查期限
科学技术信息通信部部长应根据《训令、示例等的制定及管理规则》,以2025年1月1日为基准,每满3年时点(指每3年的12月31日之前)对该公告的妥当性进行审查,并采取改进等措施。
三、补充条款
• 本通知自2026年11月5日起生效
• 第二条(对其他通知的修改)
《广播通信终端设备等合格评定通知》(国家无线电研究机构通知)附件一第7项第25款(与合格评定设备相关)第3条有关,修改如下:
[附表1]7. 终端设备(广播通信设施的设备)
.png)
[附表 1] USB C型插座连接器规格(与第3条相关)
%20%E5%A4%96%E5%A3%B3%E5%BC%80%E5%8F%A3%E5%AE%BD%E5%BA%A6%E5%B0%BA%E5%AF%B8.png)
(图1) 外壳开口宽度尺寸
.png)
(图2) 外壳开口高度尺寸
.png)
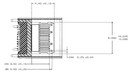
(图3) 带导电外壳的插座接触尺寸
.png)
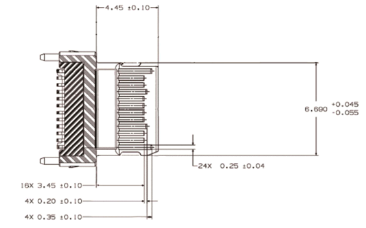
(图4) 带非导电外壳或无外壳的插座接触尺寸
注:
1. 如图1所示,外壳开口宽度应为8.34 mm,误差范围为-0.02 mm、+0.06 mm。
2. 如图2所示,外壳开口高度应为2.56 ± 0.04 mm。
3. 如图3及图4所示,插座舌片(tongue)宽度应为6.690 mm,误差范围为-0.055 mm、+0.045 mm。
4. 如图3及图4所示,插座舌片(tongue)长度应为4.45 ± 0.10 mm。
5. 如图3所示,带有导电外壳的情况下,数据等信号(电源及接地除外)的触点长度应为3.50 ± 0.15 mm,电源及接地触点应比数据等信号触点长0.50 ± 0.20 mm。
6. 如图4所示,带有非导电外壳或无外壳的情况下,数据等信号(电源及接地除外)的触点长度应为3.45 ± 0.10 mm,电源触点应比数据等信号触点长0.20 ± 0.10 mm,接地触点应比电源触点长0.35 ± 0.10 mm。
7. 如图3及图4所示,插座的各信号触点宽度应为0.25 ± 0.04 mm。
BACL服务优势:
BACL 可为您提供高效可靠的全球认证服务,如IECEE CB Scheme NCB和CBTL、美国(NRTL、FCC、ENERGY STAR)、加拿大(ISED、SCC)、欧盟(CE)、英国(UKCA AB和AOC)、北爱尔兰(UKNI)、韩国(KC)、日本(MIC)、新加坡(IMDA)、中国香港(OFCA)、中国台湾(NCC、BSMI)、埃及(NTRA、GOEIC)、南非(SABS)、越南(MIC),沙特阿拉伯(SASO、CITC)、菲律宾(NTC)、泰国(NBTC)、马来西亚(SIRIM)、印度(BIS、WPC、TEC)等多国家及地区的认证服务,保障您的产品在国际贸易壁垒日趋激烈的今天,依然顺利的进入国际贸易市场!

CN/中国
US/USA
KR/Korea
DE/Germany
ES/Spain
VN/Việtnam