
2022年8月25日,IEC 62368-1 CTL发布关于X电容放电风险评估的决议PDSH 2200,要求在功率比较大的ITAV产品里面,特别是服务器电源,经常会使用带X电容的滤波器,针对X电容特有的放电风险评估要求。
产品示例

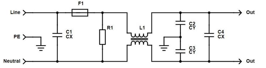
在有些电路设计中,会存在放电电阻和X电容分别位于保险丝两侧的情况,正常使用时没有风险,但当遇到保险丝因为故障条件断开时,X电容就不能和放电电阻R1形成有效的放电回路,因而会对使用者或者维修人员造成触电风险,因此本决议更明确的告知,这种情况需要考量,并规定了相应的等级判断,即在保险丝断开时,电压限值不能超过ES2。
电路原理图示例

IECEE官网链接:
https://decisions.iecee.org/iecee/SearchCMC.nsf/de_h.xsp?v=ctl
针对产品中存在的此类情况,如您有任何疑问,请联系我们,倍科专家团队将会为您提供更前沿的技术评估和咨询服务!
BACL服务优势:
BACL是美国OSHA和加拿大SCC双认可的北美安规认证机构,欧盟CE认证的通告机构(Notified Body: 1313),IECEE CB Scheme的认证机构NCB和测试实验室CBTL(CB102, TL730, TL792, TL796, TL360);同时还获得A2LA, IAS, CNAS, CMA, FDA, ACMA, SAA等场地授权和认可,分别在美国、韩国、台湾、深圳福田和南山、东莞、成都、昆山等地设有安规测试实验室,可为您提供IT/AV, HOUS、照明产品、电源产品、电动工具等产品的全球认证,包括:美国(NRTL, FCC, ENERGY STAR, FDA, DOE, CEC), 加拿大(SCC, ISED, NRCan),欧盟(CE), 韩国(KC), 欧盟CE NB, 国际电工委员会IECEE CB Scheme, 日本(MIC), 新加坡(IMDA), 香港(OFCA),台湾(NCC, BSMI), 埃及(NTRA, GOEIC), 越南(MIC), 沙特(SASO), 菲律宾(NTC),泰国(NBTC), 马来西亚(SIRIM), 印度(BIS, WPC, TEC)等多国认证服务,保障您的产品在国际贸易壁垒日趋激烈的今天,依然顺利的进入国际贸易市场!

CN/中国
US/USA
KR/Korea
DE/Germany
ES/Spain
VN/Việtnam